Hole Information Notation in 3D Screen

Hole dimension notation follows the guidelines outlined below.

Straight Holes*If the bottom of the hole is specified as flat, (flat hole bottom) will be added at the end of the notation on the viewer.

[mm]

Through/BlindBlindThrough
Hole diameter toleranceNoYesNoYes
ImageStraight hole: blind/no precisionStraight hole: blind/precisionStraight hole: through/no precisionStraight hole: through/precision
Viewer Notationø4↧15ø4H7(+0.012/0) ↧15/Pilot Hole ↧18ø4 THRUø4H7(+0.012/0) ↧15/Pilot Hole Thru
Straight HolesWhen adding hole depth tolerances

[mm]

Through/Blind Blind Through
Hole diameter tolerance No Yes Yes
Image
Viewer Notation Φ4↧15±0.1 (Flat bottom) Φ4H7 (+0.012/0) ↧15±0.1 (Flat bottom)/Pilot Hole ↧18 Φ4H7 (+0.012/0) ↧15±0.1/Pilot Hole Thru
Tapped Holes

[mm]

Through/Blind Blind Through
Coarse/Fine Coarse Fine Coarse Fine
Image Tapped hole: blind Tapped hole: through
Viewer Notation M10↧25 M10x1.25 ↧25/Pilot Hole ↧30 M10 THRU M10x1.25 THRU
Insert Holes

[mm]

Through/Blind Blind Through
Coarse/Fine Coarse Coarse
Image Insert hole: blind Insert hole: through
Viewer Notation M10 INS-2D/Pilot Hole ↧30 M4 INS-2D THRU
1-Step Holes

[mm]

Through/BlindBlindThrough
PrecisionNoNo
Image1-Step hole: blind1-Step hole: through
Viewer Notation凵 ø8 ↧3凵 ø8 ↧3
ø4 ↧15ø4 THRU
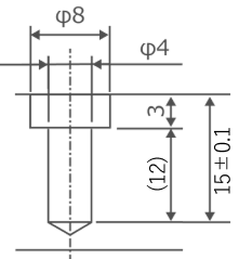
1-Step HolesWhen adding hole depth tolerances

[mm]

Through/Blind Blind
Precision No
Image
Viewer Notation 凵 ø8 ↧3
Φ4↧15±0.1 (Flat bottom)

*If the upper or lower level is a precision/tapped hole, the value after the ↧ symbol indicates the effective depth.

2-Step Holes

[mm]

Through/Blind Blind
Precision No
Image 2-Step hole: blind
Viewer Notation 凵ø8↧3
ø4 THRU
(On the opposite side)凵ø8↧3
Countersunk Holes

[mm]

Through/Blind Through
Image Countersunk hole: through
Viewer notation ø8.6, ø4.5

Recently viewed articles